今天是
首 页
新闻动态
中心动态
通知公告
政府信息公开
公开指南
公开目录
公开年报
依申请公开
规划计划
财政资金
办事服务
便民服务
公积金查询
贷款计算器
利率表
文件下载
营业网点
住房资金
互动交流
征集调查
留言簿
留言回复
数据统计
当前位置 :
首页
>
政府信息公开
>
政府网站监管年度报表
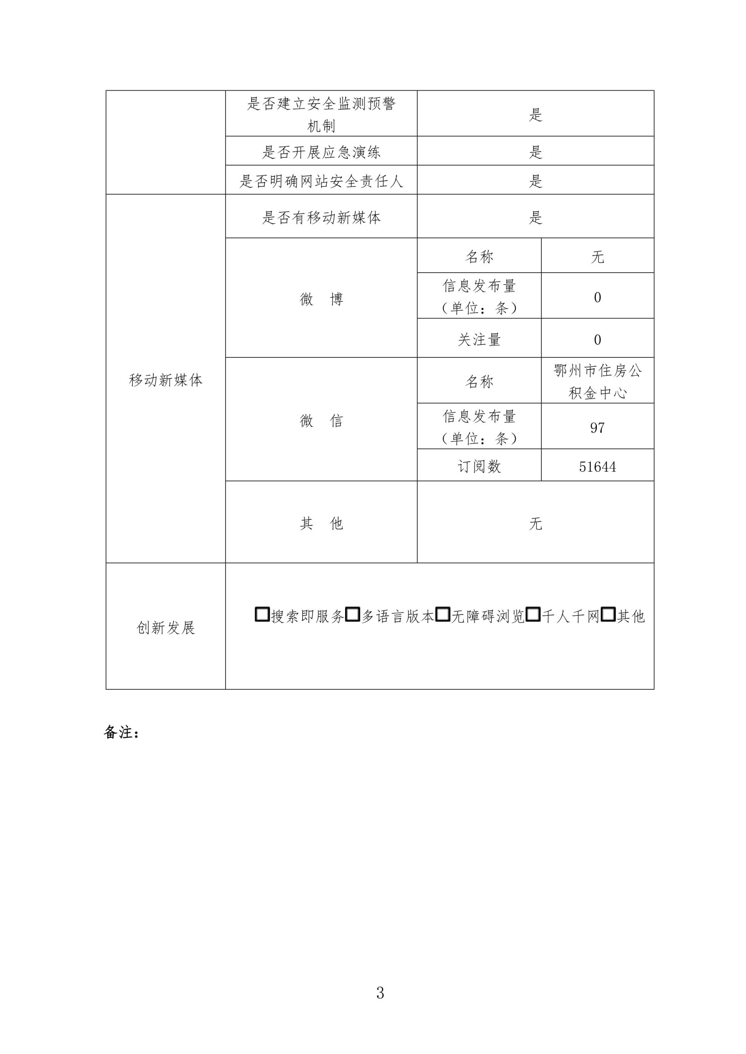
鄂州市住房公积金中心2025年度政府网站工作年度报表
索 引 号:
011217651/2026-00063
发文字号:
鄂州市住房公积金中心2025年度政府网站工作年度报表
发文日期:
2026年01月28日
发文单位:
鄂州市住房公积金中心
发布日期:
2026年01月28日
主题分类:
其他
效力状态:
有效
分享到
【
打印此页
丨
关闭窗口
】
站点地图
.
网站标识码:4207000011 ICP备案编号:鄂ICP备05017375号
鄂公网安备 42070402000201号
政务咨询:12329 联系地址:湖北省鄂州市鄂城区滨湖南路62号 联系人:综合科 联系电话:027-60281959 邮政编码:436000
版权所有:鄂州市住房公积金中心 主办:鄂州市住房公积金中心 点击总量: